

MAX11103是Maxim美信半导体公司的一款数据转换器和采样-保持电路产品,MAX11103是2Msps/3Msps、低功耗、串行12/10/8位ADC,本站介绍了MAX11103的封装应用图解、特点和优点、功能等,并给出了与MAX11103相关的Maxim元器件型号供参考。
MAX11103 - 2Msps/3Msps、低功耗、串行12/10/8位ADC - 数据转换器和采样-保持电路 - 小尺寸、低功耗、SPI、1/2通道、2Msps/3Msps ADC - 美信半导体
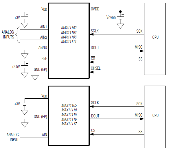
MAX11102,MAX11103,MAX11105,MAX11106,MAX11110,MAX11111,MAX11115–MAX11117是12/10/8位、结构紧凑的高速、低功耗、逐次逼近模/数转换器(ADC)。这些高性能ADC具有极高的采样/保持动态范围和高速串口,可接受0V至电源电压或基准电压的满量程输入范围。
MAX11102/MAX11103/MAX11106/MAX11111具有双路单端模拟输入,通过2:1复用器连接到ADC核心电路。器件还为数据接口提供独立的电源输入,具有专用的基准电压输入。而单通道器件则由内部电路从电源产生基准电压。
这些ADC采用2.2V至3.6V电源供电,3Msps速率下仅消耗5.2mW功率,2Msps速率下耗电3.7mW。器件包括完全关断和快速唤醒功能,优化电源管理和高速3线接口设计。3线串口可直接连接到SPI、QSPI™和MICROWIRE®器件,无需额外的逻辑电路。
优异的动态特性和低电压、低功耗、简单易用、小封装尺寸等优势,使得这些转换器可理想用于便携式电池供电数据采集系统及其它要求低功耗、小尺寸的应用。
这些ADC提供10引脚TDFN封装、10引脚µMAX®封装以及6引脚SOT23封装,工作在-40°C至+125°C温度范围。







