

MAX15500 - 用于工业控制的模拟电流/电压输出调理器
MAX15500是Maxim美信半导体公司的一款放大器产品,MAX15500是用于工业控制的模拟电流/电压输出调理器,本站介绍了MAX15500的封装应用图解、特点和优点、功能等,并给出了与MAX15500相关的Maxim元器件型号供参考。
MAX15500 - 用于工业控制的模拟电流/电压输出调理器 - 放大器 - 业内首款可编程输出驱动器—高达±24mA的电流或高达±12V的电压 - 美信半导体
产品概述
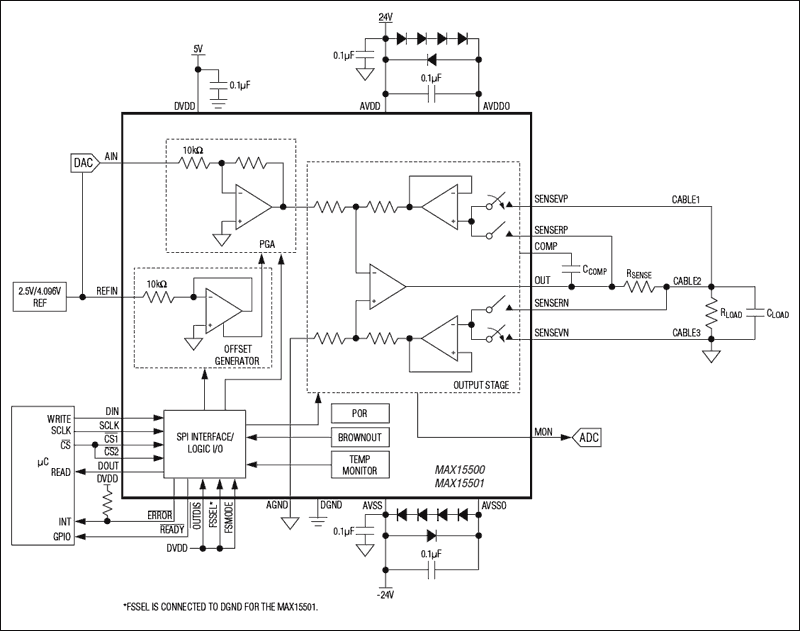
MAX15500/MAX15501模拟输出调理器提供与控制电压信号成正比的可编程电流(最大±24mA)或电压(最大±12V)输出。控制电压通常来自外部DAC,DAC的输出电压范围为0至4.096V (对于MAX15500)和0至2.5V (对于MAX15501)。输出电流和电压可选择配置为单极性或双极性。在单极性配置中,5%满量程(FS)的控制电压产生标称为0A或0V的输出,实现欠范围驱动能力。100%FS的控制电压产生两个可编程电平(105%FS或120%FS)之一,实现超范围驱动能力。MAX15500/MAX15501的输出具有过流保护以及短路至地或电源电压(高达±35V)的保护能力。器件还监测过热及电源欠压状态,电源欠压门限可编程。
MAX15500/MAX15501可通过SPI™接口进行编程,实现菊链工作模式。MAX15500/MAX15501通过SPI接口和一路漏极开路中断输出提供各种错误报告。器件还提供一路模拟输出,以监视负载状态。
MAX15500/MAX15501工作在-40°C至+105°C温度范围,器件采用32引脚、5mm x 5mm TQFN封装。
关键特性
热门应用
下面可能是您感兴趣的美信半导体公司放大器元器件


Maxim公司产品现货专家,订购Maxim公司产品不限最低起订量,Maxim产品大陆现货即时发货,香港库存3-5天发货,海外库存7-10天发货
寻找全球Maxim代理商现货货源 - Maxim公司(美信半导体)电子元件在线订购





