

MAX2160|MAX2160EBG是Maxim美信半导体公司的一款无线与RF产品,MAX2160|MAX2160EBG是ISDB-T单段、低IF调谐器,本站介绍了MAX2160|MAX2160EBG的封装应用图解、特点和优点、功能等,并给出了与MAX2160|MAX2160EBG相关的Maxim元器件型号供参考。
MAX2160|MAX2160EBG - ISDB-T单段、低IF调谐器 - 无线与RF - Maxim美信半导体高性能芯片品质 - 美信半导体
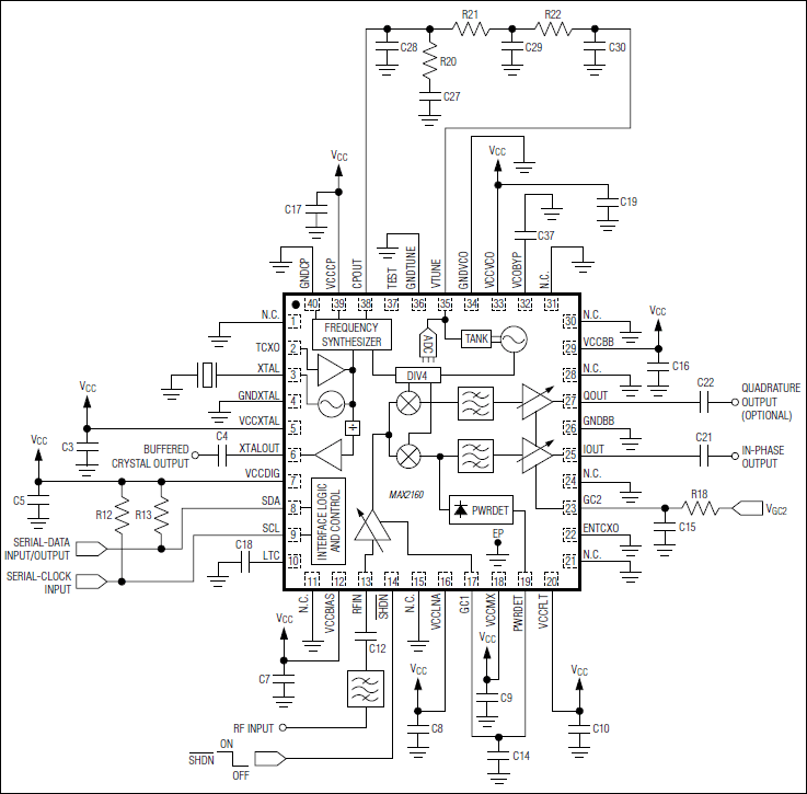
MAX2160/EBG是针对日本移动数字电视(ISDB-T单段)市场设计的调谐器IC。该器件利用宽带I/Q下变频变换器直接将UHF波段的信号转换到低中频(IF)。工作频率范围:470MHz至770MHz。
MAX2160/EBG既支持I/Q低IF接口,也支持单端低IF接口,能够配合各种类型的数字解调器IC使用,不失为一款非常通用的调谐器。
MAX2160/EBG内部包括:LNA、RF可变增益放大器、I和Q下变频混频器、低IF可变增益放大器以及具有42dB镜频抑制的带通滤波器。该器件能够处理高端或低端本振(LO)注入。MAX2160/EBG的可变增益放大器能够提供100dB以上的增益控制范围。
MAX2160/EBG还包括一个完全集成的VCO和谐振槽路,以及完备的频率合成器。器件内置XTAL振荡器和独立的TCXO输入缓冲器。该器件能够配合13MHz至26MHz的XTAL/TCXO工作,因而能够共用蜂窝手机中的VC-TCXO。此外, 为XTAL/TCXO提供的分频器简化了与各种通道解码器的连接,同时也降低了成本。
MAX2160/EBG工作在-40°C至+85°C,提供40引脚(6mm x 6mm)、薄型QFN封装,带有裸露焊盘(EP)和3.175mm x 3.175mm无铅、晶片级封装(WLP)。







