

MAX4360是Maxim美信半导体公司的一款模拟开关和复用器产品,MAX4360是低成本4x4、8x4、8x8视频交叉点开关,本站介绍了MAX4360的封装应用图解、特点和优点、功能等,并给出了与MAX4360相关的Maxim元器件型号供参考。
MAX4360 - 低成本4x4、8x4、8x8视频交叉点开关 - 模拟开关和复用器 - Maxim美信半导体高性能芯片品质 - 美信半导体
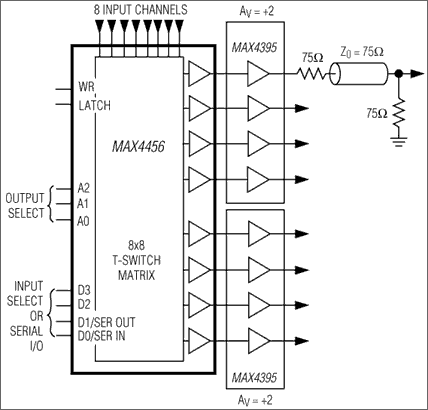
The MAX4359/MAX4360/MAX4456 low-cost video crosspointswitches are designed to reduce component count,board space, design time, and system cost. Each containsa matrix of T-switches that connect any of their four(MAX4359) or eight (MAX4360/MAX4456) video inputs toany of their buffered outputs, in any combination. Eachmatrix output is buffered by an internal, high-speed(250V/µs), unity-gain amplifier that is capable of driving400Ω and 20pF at 2.6VP-P. For applications requiring increased drive capability, buffer the MAX4359/MAX4360/MAX4456 outputs with the MAX4395 quad, operational amplifier.
The MAX4456 has a digitally controlled 8x8 switch matrixand is a low-cost pin-for-pin compatible alternative to thepopular MAX456. The MAX4359/MAX4360 are similar tothe MAX4456, with the 8x8 switch matrix replaced by a4x4 (MAX4359) or an 8x4 (MAX4360) switch matrix.
Three-state output capability and internal, programmableactive loads make it feasible to parallel multiple devicesto form larger switch arrays. The inputs and outputs areon opposite sides, and a quiet power supply or digitalinput line separates each channel, which reducescrosstalk to -70dB at 5MHz. For applications demandingbetter DC specifications, see the MAX456 8x8 videocrosspoint switch.







