

MAX4781 - 高速、低电压、0.7Ω、CMOS模拟开关/多路复用器
MAX4781是Maxim美信半导体公司的一款宽带交换产品,MAX4781是高速、低电压、0.7Ω、CMOS模拟开关/多路复用器,本站介绍了MAX4781的封装应用图解、特点和优点、功能等,并给出了与MAX4781相关的Maxim元器件型号供参考。
MAX4781 - 高速、低电压、0.7Ω、CMOS模拟开关/多路复用器 - 宽带交换 - Maxim美信半导体高性能芯片品质 - 美信半导体
产品概述
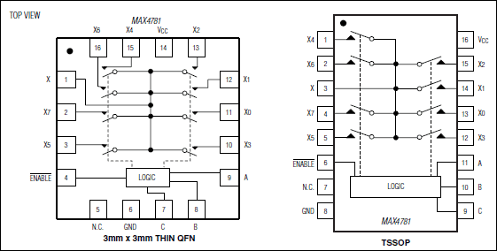
MAX4781/MAX4782/MAX4783为高速、低电压、低导通电阻、CMOS模拟多路复用器/开关,分别配置为八通道多路复用器(MAX4781)、两个四通道多路复用器(MAX4782)和三个单刀双掷(SPDT)开关(MAX4783)。
这些器件的工作电压范围为+1.6V至+3.6V。采用+3V单电源供电时,MAX4781/MAX4782/MAX4783具有0.7Ω 导通电阻(RON),通道间RON匹配度为0.3Ω,RON平坦度为0.1Ω。这些器件可处理满摆幅模拟信号,提供低于25ns的快速开关特性,静态功耗低于3µW。它们提供节省空间的16引脚QFN (3mm x 3mm)和TSSOP两种封装。
关键特性
热门应用
下面可能是您感兴趣的美信半导体公司宽带交换元器件


Maxim公司产品现货专家,订购Maxim公司产品不限最低起订量,Maxim产品大陆现货即时发货,香港库存3-5天发货,海外库存7-10天发货
寻找全球Maxim代理商现货货源 - Maxim公司(美信半导体)电子元件在线订购





