

MAX5986A是Maxim美信半导体公司的一款DC-DC开关调节器产品,MAX5986A是兼容于IEEE 802.3af的高效、Class 1//Class 2 PD,内置DC-DC转换器,本站介绍了MAX5986A的封装应用图解、特点和优点、功能等,并给出了与MAX5986A相关的Maxim元器件型号供参考。
MAX5986A - 兼容于IEEE 802.3af的高效、Class 1//Class 2 PD,内置DC-DC转换器 - DC-DC开关调节器 - 高度集成的动力设备有效降低BOM成本、提高效率 - 美信半导体
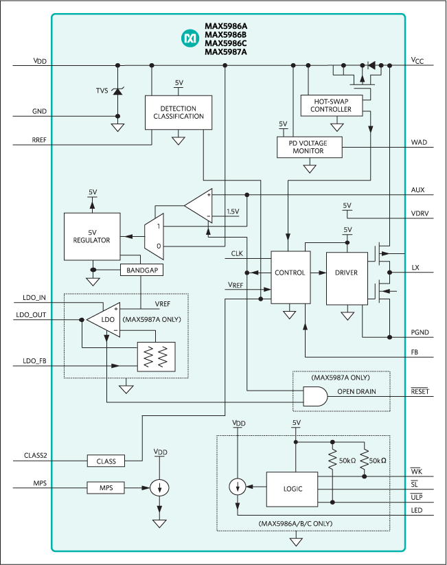
MAX5986A/MAX5986B/MAX5987A作为以太网供电(PoE)系统的IEEE®802.3af兼容、Class 1/Class 2 PD设备,提供完备的供电解决方案。MAX5986A/MAX5987A集成了具有高效DC-DC转换器的PD接口,只需少数外部元件即可构成完备的PD解决方案。MAX5987A包括低压差稳压器,MAX5986A/MAX5986B具有休眠和超低功耗模式。
PD接口采用单个外部电阻提供特征检测和ss 1/Class 2分级,PD接口还提供了一个隔离功率MOSFET,具有60mA (最大)浪涌电流限制和201mA (MAX5986A)或323mA (MAX5986B/MAX5987A)工作电流限制。
集成降压型DC-DC转换器采用峰值电流模式控制,提供具有快速瞬态响应、可方便实现的架构。降压型转换器工作在8.7V至60V较宽的输入电压范围,1.15A负载下能够支持高达3.84W (MAX5986A)或6.49W (MAX5986B/MAX5987A)的输出功率。MAX5986A DC-DC转换器工作在275kHz开关频率,折返式频率调整功能在轻载时将开关频率降低一半,有效提升工作效率。
器件具有输入欠压锁定(UVLO)功能,具有较宽的滞回和较长的抗尖峰脉冲时间,以补偿双绞线电缆的电阻压降,确保在电源开/关工作条件下没有尖峰干扰。器件还提供热关断、短路保护、输出过压保护和打嗝式限流,以改善性能和可靠性。
MAX5986A/MAX5986B/MAX5987A采用16引脚、5mm x 5mm、TQFN封装,工作在-40°C至+85°C温度范围。







