

MAX98500 - 带有自动电平控制的2.2W升压型D类放大器
MAX98500是Maxim美信半导体公司的一款音频芯片产品,MAX98500是带有自动电平控制的2.2W升压型D类放大器,本站介绍了MAX98500的封装应用图解、特点和优点、功能等,并给出了与MAX98500相关的Maxim元器件型号供参考。
MAX98500 - 带有自动电平控制的2.2W升压型D类放大器 - 音频芯片 - 高效升压型放大器,提升扬声器输出的同时不会导致电池电压跌落 - 美信半导体
产品概述
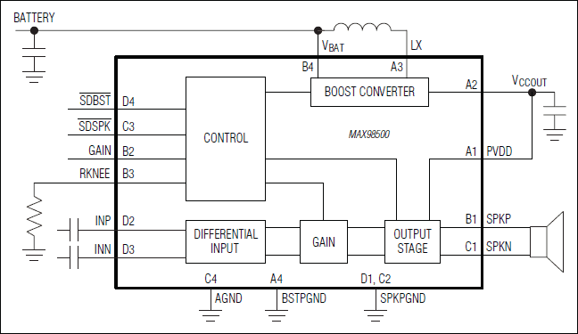
MAX98500为内置boost转换器的高效D类音频放大器,能够在较宽的电池供电电压范围内提供恒定的输出功率。
Boost转换器的工作频率为2MHz,仅需一个小尺寸(2.2µH)外部电感和电容。
自动电平控制电路具有电池跟踪功能,能够在电源电压跌落时降低输出摆幅,从而防止电池电压失效。
放大器具有差分输入,内部采用全差分设计。MAX98500还具有3种增益设置(6dB、15.5dB和20dB),通过一个逻辑输入进行选择。
MAX98500采用小尺寸、0.5mm焊球间隔的16焊球WLP封装(2.1mm x 2.1mm),工作在-40°C至+85°C扩展级温度范围。
关键特性
热门应用
下面可能是您感兴趣的美信半导体公司音频芯片元器件


Maxim公司产品现货专家,订购Maxim公司产品不限最低起订量,Maxim产品大陆现货即时发货,香港库存3-5天发货,海外库存7-10天发货
寻找全球Maxim代理商现货货源 - Maxim公司(美信半导体)电子元件在线订购





