

MAX11008是Maxim美信半导体公司的一款无线与RF产品,MAX11008是双通道RF LDMOS偏置控制器,带有非易失存储器,本站介绍了MAX11008的封装应用图解、特点和优点、功能等,并给出了与MAX11008相关的Maxim元器件型号供参考。
MAX11008 - 双通道RF LDMOS偏置控制器,带有非易失存储器 - 无线与RF - 高度集成、降低成本、节省功耗 - 美信半导体
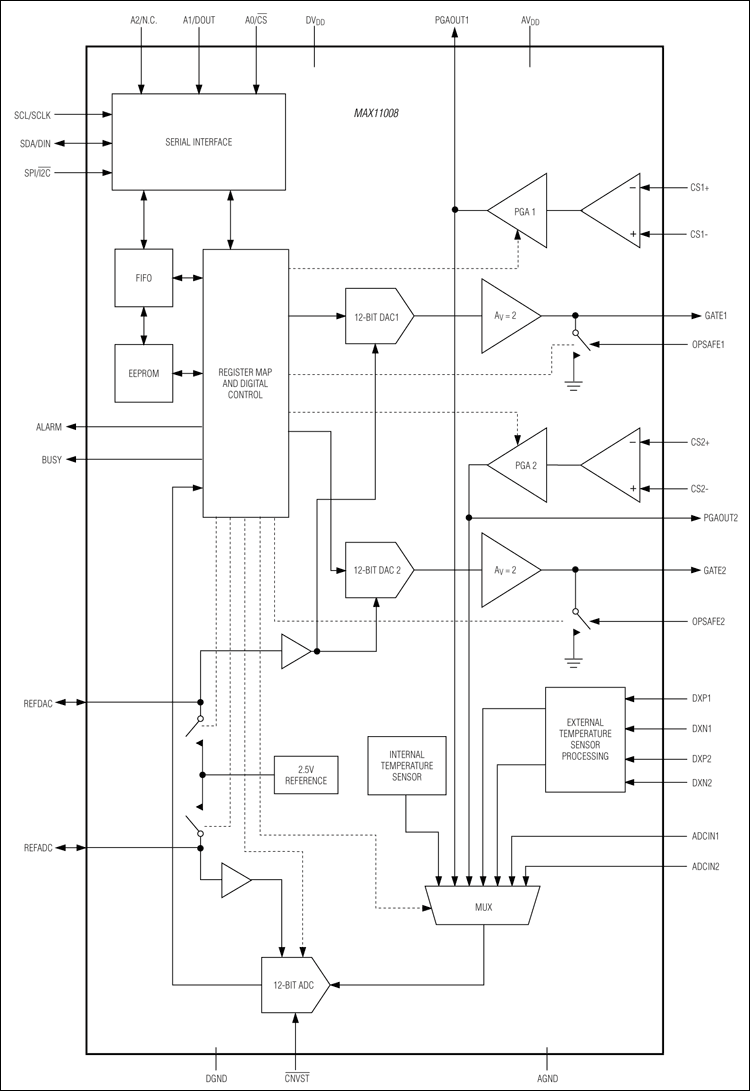
MAX11008控制器为蜂窝基站和其他无线基础设备中的RF LDMOS功放提供偏压。每个控制器包括增益可设置为2、10和25倍的高边电流检测放大器,用来监测LDMOS的漏极电流(电流范围20mA到5A)。MAX11008支持最多2个外部连接成二极管的晶体管,用于监测LDMOS温度,内部温度传感器可以测量本地结温。12位逐次逼近寄存器(SAR)模/数转换器(ADC)对来自可编程增益放大器(PGA)、外部温度传感器、内部温度检测以及2路额外的辅助输入端的模拟信号进行转换。MAX11008结合温度、AIN和/或漏极采样值与查找表中(LUT)存储的数据,自动调整LDMOS偏压。
MAX11008包含两个栅极驱动通道,每通道包含一个12位DAC,可产生栅极正压,用于偏置LDMOS器件。每个栅极驱动输出可源出高达±2mA的栅极电流。栅极驱动放大器将电流限制在±25mA,并可快速箝位至AGND。
MAX11008包含4Kb非易失EEPROM,按照256位 x 16位的配置存储LUT和寄存器信息。器件工作在4线16MHz SPI™/MICROWIRE™兼容接口或工作在I²C兼容的串口。
MAX11008采用+4.75V至+5.25V模拟供电电源(典型工作电流为2mA)和+2.7V至+5.25V数字供电电源(典型工作电流为3mA)。器件采用48引脚、7mm x 7mm、薄型QFN封装,工作在扩展级温度范围(-40°C至+85°C)。







