

MAX1407 - 低功耗、16位、多通道DAS,内置电压基准、10位DAC及RTC
MAX1407是Maxim美信半导体公司的一款数据转换器和采样-保持电路产品,MAX1407是低功耗、16位、多通道DAS,内置电压基准、10位DAC及RTC,本站介绍了MAX1407的封装应用图解、特点和优点、功能等,并给出了与MAX1407相关的Maxim元器件型号供参考。
MAX1407 - 低功耗、16位、多通道DAS,内置电压基准、10位DAC及RTC - 数据转换器和采样-保持电路 - Maxim美信半导体高性能芯片品质 - 美信半导体
产品概述
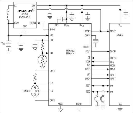
MAX1407/MAX1408/MAX1409/MAX1414系列为低功耗、通用的、多通道数据采集系统(DAS),这些器件针对低功耗应用而优化。所有器件的工作于+2.7V至+3.6V单电源,工作模式下耗电最大为1.15mA,休眠模式下耗电仅2.5µA。
MAX1407/MAX1408/MAX1414提供用于ADC的差分8:1输入多路复用器、可编程三态数字输出、关断外部电源的输出以及ADC数据就绪输出。MAX1408具有八个辅助模拟输入,而MAX1407/MAX1414包括四个辅助模拟输入和两个10位加载/感应DAC。另外,MAX1414具有用于信号检测比较器的50mV门限滞回,其它器件具有0mV门限滞回。 MAX1409为20引脚的DAS,带有一个用于ADC的差分4:1输入多路复用器、一路辅助模拟输入以及一个10位加载/感应DAC。
MAX1407/MAX1408/MAX1414提供节省空间的28引脚SSOP封装、MAX1409提供20引脚SSOP封装。
关键特性
热门应用
下面可能是您感兴趣的美信半导体公司数据转换器和采样-保持电路元器件


Maxim公司产品现货专家,订购Maxim公司产品不限最低起订量,Maxim产品大陆现货即时发货,香港库存3-5天发货,海外库存7-10天发货
寻找全球Maxim代理商现货货源 - Maxim公司(美信半导体)电子元件在线订购





