

MAX527是Maxim美信半导体公司的一款数据转换器和采样-保持电路产品,MAX527是带有校准的、四路、电压输出、12位DAC,本站介绍了MAX527的封装应用图解、特点和优点、功能等,并给出了与MAX527相关的Maxim元器件型号供参考。
MAX527 - 带有校准的、四路、电压输出、12位DAC - 数据转换器和采样-保持电路 - Maxim美信半导体高性能芯片品质 - 美信半导体
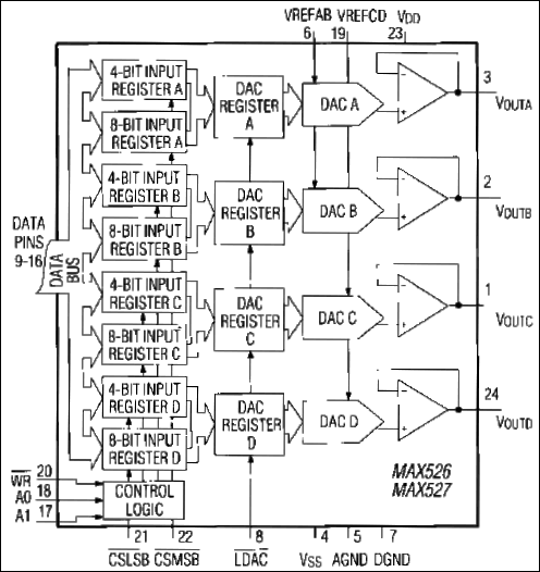
The MAX526/MAX527 contain four 12-bit, voltage-output digital-to-analog converters (DACs). Precision output buffer amplifiers are included on-chip to provide voltage outputs. The MAX527 operates with ±5V power supplies, while the MAX526 utilizes -5V and +12V to +15V supplies. Offset, gain, and linearity are factory calibrated to provide the MAX526’s 1LSB total unadjusted error (TUE).
These devices feature double-buffered interface logic with a 12-bit input register and a 12-bit DAC register. Data in the DAC register sets the DAC output voltage. The MAX526/MAX527 have an 8-bit-wide data bus. Data is loaded into the input register using the two write operations with an 8-bit LSB write load and a 4-bit MSB write load. An asynchronous load DAC (active-low LDAC) input transfers data from the input register to the DAC register. All logic inputs are TTL and CMOS compatible.
The MAX526/MAX527 are available in 24-pin, 300 mil plastic DIP, Ceramic SB, and wide SO packages.







