

MAX1154 - 独立的10通道、10位系统监测器,内置温度传感器和VDD检测器
MAX1154是Maxim美信半导体公司的一款数据转换器和采样-保持电路产品,MAX1154是独立的10通道、10位系统监测器,内置温度传感器和VDD检测器,本站介绍了MAX1154的封装应用图解、特点和优点、功能等,并给出了与MAX1154相关的Maxim元器件型号供参考。
MAX1154 - 独立的10通道、10位系统监测器,内置温度传感器和VDD检测器 - 数据转换器和采样-保持电路 - 10位/12位数据采集系统,内置远端/本地温度传感器,无需处理器干预 - 美信半导体
产品概述
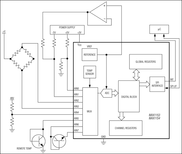
MAX1153/MAX1154是单片、10路(8路外部、2路内部)、10位系统监视ADC,内置基准。可编程单端/差分多路复用器接收电压和远端二极管温度传感器输入。该器件无需微处理器的配合即可独立监视输入通道,当有变量超过用户定义的门限时产生中断。MAX1153/MAX1154可配置高、低门限以及所允许发生的故障次数。这些ADC允许对数据进行递归平均以降低噪声。两次转换之间的可编程等待间隔提供了可选择的采样率。
在94ksps (自动模式、单路使能)最高采样速率下,MAX1153耗电仅5mW (3V时1.7mA)。AutoShutdown™使采样率为2ksps时电源电流降至190µA;50sps时电流低于8µA。
单片工作、简单易用和小尺寸封装(16引脚TSSOP),使MAX1153/MAX1154成为多路系统监视应用的理想选择。低功耗也使这些器件非常适合手持或电池供电产品。
关键特性
热门应用
下面可能是您感兴趣的美信半导体公司数据转换器和采样-保持电路元器件


Maxim公司产品现货专家,订购Maxim公司产品不限最低起订量,Maxim产品大陆现货即时发货,香港库存3-5天发货,海外库存7-10天发货
寻找全球Maxim代理商现货货源 - Maxim公司(美信半导体)电子元件在线订购





