Maxim公司,美信半导体,Maxim官网,Maxim代理商
Maxim(美信半导体)| Maxim产品型号搜索
专营Maxim元器件,强大的现货交付能力,解决您的采购难题
全流程提供Maxim(美信半导体)现货供应链服务
当前位置:美信半导体 > > 美信芯片 >> MAXQ7670
MAXQ7670技术文档下载:
MAXQ7670技术文档产品手册下载
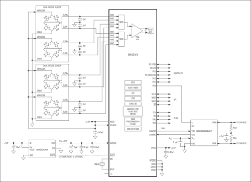
MAXQ7670 - 典型电路框图:
MAXQ7670典型电路框图
承诺原装正品
专营Maxim美信,真正优化您的供应链
Maxim产品 - MAXQ7670介绍
MAXQ7670 - 带有10位ADC、PGA、64KB闪存和CAN总线接口的微控制器

MAXQ7670是Maxim美信半导体公司的一款传感器与传感器接口产品,MAXQ7670是带有10位ADC、PGA、64KB闪存和CAN总线接口的微控制器,本站介绍了MAXQ7670的封装应用图解、特点和优点、功能等,并给出了与MAXQ7670相关的Maxim元器件型号供参考。

MAXQ7670 - 带有10位ADC、PGA、64KB闪存和CAN总线接口的微控制器 - 传感器与传感器接口 - 提供高精度模拟功能,采用节省空间的40引脚、5mm x 5mm封装 - 美信半导体

产品概述

MAXQ7670为测量多路模拟信号并输出到控制器局域网(CAN)总线上提供完整的解决方案。器件工作在5V单电源,集成了高性能、16位精简指令组(RISC)内核μC、SAR ADC以及CAN 2.0B控制器,支持的传输速率高达1Mbps。10位SAR ADC带有1V/V或16V/V可编程增益放大器、8路输入通道,转换速率高达250ksps。8路单端ADC输入可配置为4路单极性或双极性、全差分输入。采用单电源工作时,外部5V电源为数字I/O供电,两个独立的内置线性稳压器可为2.5V数字核电源和3.3V模拟电路供电。每路电源均有专门的电源监控电路,提供电源故障检测和上电复位(POR)功能。16位RISC微控制器(µC)包括64KB (32K x 16)非易失程序/数据闪存以及2KB (1K x 16)数据RAM。MAXQ7670的其它特性包括4线SPI™接口、用于系统编程和调试的JTAG接口、集成的15MHz RC振荡器、支持外部晶振、带脉宽调整功能的(PWM)定时器/计数器以及7个带中断和唤醒功能的GPIO引脚。

MAXQ7670智能系统级芯片(SoC)是基于µC的数据采集系统。作为16位MAXQ®系列产品的最新器件,RISC µC,MAXQ7670可理想用于汽车、工业控制、楼宇自动化等低成本、低功耗、嵌入式系统。MAXQ µC中采用灵活的、标准化结构设计,能够以最小的工作量实现特定应用的目标产品的开发。

MAXQ7670 采用40引脚、5mm x 5mm TQFN封装,工作在-40°C至+125°C汽车级温度范围。

关键特性
  • 以下关键特性由Maxim美信半导体提供:
  • 高性能、低功耗16位RISC内核
  • 工作在0.166MHz至16MHz,每MHz接近1MIPS
  • 低功耗(< 1mA/MIPS、VDVDD = +2.5V)
  • 16位命令字、16位数据总线
  • 33条指令,绝大多数为单周期指令
  • 16级硬件堆栈
  • 16 x 16位、通用工作寄存器
  • 三个独立的数据指针,具有自动递增/递减功能
  • 低功耗、1/256、电源管理模(PMM)式及休眠模式
  • 程序和数据存储器
  • 64KB内部非易失程序/数据闪存
  • 2KB内部数据RAM
  • SAR ADC
  • 8路单端/4路差分通道,10位分辨率,无丢码
  • PGA增益 = 1V/V或16V/V
  • 250ksps (150.9ksps,PGA增益 = 16V/V)
  • 定时器/数字I/O外设
  • CAN 2.0B控制器(15个信息中心)
  • 串行外设接口(SPI)
  • JTAG接口(支持广泛的调试和评估)
  • 单个16位/两个8位定时器/PWM
  • 7路通用、数字I/O引脚,带外部中断/唤醒功能
  • 振荡器/时钟模块
  • 内部振荡器支持外部晶体(8MHz或16MHz)
  • 集成的15MHz RC振荡器
  • 工作于外部时钟源
  • 可编程看门狗定时器
  • 电源管理模块
  • 上电复位
  • 电源监控电路/电源故障检测
  • 内置+2.5V和+3.3V线性稳压器
  • 热门应用
  • 汽车转角和转矩传感器
  • 楼宇自动化
  • 基于CAN的汽车传感器应用
  • 工业控制
  • 下面可能是您感兴趣的美信半导体公司传感器与传感器接口元器件
  • MAX9004 - 低功耗、高速、单电源运算放大器比较器电压基准IC
  • MAX15009 - 用于汽车电子的300mA LDO稳压器,提供可切换输出和过压保护
  • MAX15062 - 60V、300mA、超小尺寸、高效、同步降压型DC-DC转换器
  • MAX8724 - 低成本、多种化学类型电池充电器
  • MAX1420 - 12位、60Msps、+3.3V、低功耗ADC,内置电压基准
  • MAX1259 - 电池管理器
  • MAX139 - 3 1/2位ADC,带有电压基准、电荷泵和直接LED驱动器
  • MAX639 - 5V/3.3V/3V/可调、高效率、低IQ、降压型DC-DC转换器
  • MAX3668 - +3.3V、622Mbps、SDH/SONET激光驱动器,带有自动功率控制
  • MAX1931 - 限流开关,支持单USB口
  • 节约时间成本,提高采购效率,Maxim官网授权代理
    Maxim|Maxim公司|Maxim美信半导体芯片授权国内Maxim代理商
    Maxim公司产品现货专家,订购Maxim公司产品不限最低起订量,Maxim产品大陆现货即时发货,香港库存3-5天发货,海外库存7-10天发货
    寻找全球Maxim代理商现货货源 - Maxim公司(美信半导体)电子元件在线订购