

MAX3232是Maxim美信半导体公司的一款驱动器-接收器产品,MAX3232是3.0V至5.5V、低功耗、1Mbps、真RS-232收发器,使用四只0.1µF外部电容,本站介绍了MAX3232的封装应用图解、特点和优点、功能等,并给出了与MAX3232相关的Maxim元器件型号供参考。
MAX3232 - 3.0V至5.5V、低功耗、1Mbps、真RS-232收发器,使用四只0.1µF外部电容 - 驱动器-接收器 - Maxim美信半导体高性能芯片品质 - 美信半导体
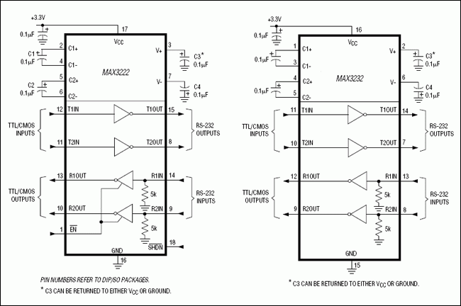
MAX3222/MAX3232/MAX3237/MAX3241收发器具有专有的低压差发送器输出级,利用双电荷泵在3.0V至5.5V电源电压下可实现真正的RS-232性能。器件仅需四个0.1µF的外部小尺寸电荷泵电容。MAX3222、MAX3232和MAX3241确保在120kbps数据速率下维持RS-232输出电平。MAX3237在正常工作模式下可确保250kbps的数据速率,在MegaBaud™工作模式下保证1Mbps的速率,同时保持RS-232输出电平。
MAX3222/MAX3232具有2路接收器和2路驱动器。MAX3222提供1µA关断模式,有效降低功耗并延长便携式产品的电池使用寿命。关断模式下,接收器保持有效状态,对外部设备(例如调制解调器)进行监测,仅消耗1µA电源电流。MAX3222和MAX3232的引脚、封装和功能分别与MAX242和MAX232兼容。
MAX3241提供一个完整串口(3路驱动器/5路接收器),设计用于笔记本电脑和亚笔记本电脑。MAX3237 (5路驱动器/3路接收器)可理想用于高速调制解调器。这两款器件都具有关断模式,关断时所有接收器保持有效状态,仅消耗1µA电源电流。接收器R1 (MAMX3237/MAX3241)和R2 (MAX3241)除标准输出外还提供附加输出。这些附加输出始终保持有效,可以对调制解调器等外部设备进行监测,电路(可能已完全撤除VCC电源)中无需正向偏置保护二极管。
MAX3222、MAX3237以及MAX3241采用节省空间的TSSOP和SSOP封装。







