

MAX6697 - 7通道、高精度温度监测器
MAX6697是Maxim美信半导体公司的一款1-Wire器件产品,MAX6697是7通道、高精度温度监测器,本站介绍了MAX6697的封装应用图解、特点和优点、功能等,并给出了与MAX6697相关的Maxim元器件型号供参考。
MAX6697 - 7通道、高精度温度监测器 - 1-Wire器件 - 业内尺寸最小的7通道温度监视器,可精确提供不同位置的温度读数 - 美信半导体
产品概述
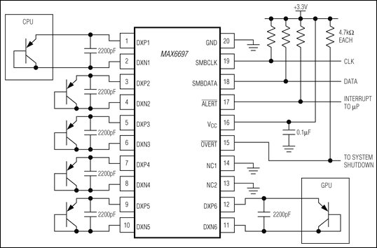
MAX6697精密的多通道温度传感器,可监视其自身温度和多达6个外部连接成二极管的晶体管温度。所有温度通道都具有可设置的报警门限。通道1、4、5和6还具有可编程高温门限。当所测量的通道温度超过其门限时,状态寄存器中对应的状态位置位。两路开漏输出,即/OVERT和/ALERT,根据状态寄存器的位状态产生相应的报警输出。
2线串行接口采用标准的系统管理总线(SMBus™),执行写字节、读字节、发送字节和接收字节命令,以读取温度数据、设置报警门限。
MAX6697工作在-40°C至+125°C温度范围,采用20引脚QSOP封装和20引脚TSSOP封装。
关键特性
热门应用
下面可能是您感兴趣的美信半导体公司1-Wire器件元器件


Maxim公司产品现货专家,订购Maxim公司产品不限最低起订量,Maxim产品大陆现货即时发货,香港库存3-5天发货,海外库存7-10天发货
寻找全球Maxim代理商现货货源 - Maxim公司(美信半导体)电子元件在线订购





